Published:2011/6/9 7:16:00 Author:qqtang | Keyword: preset balancer, integrated circuit | From:SeekIC




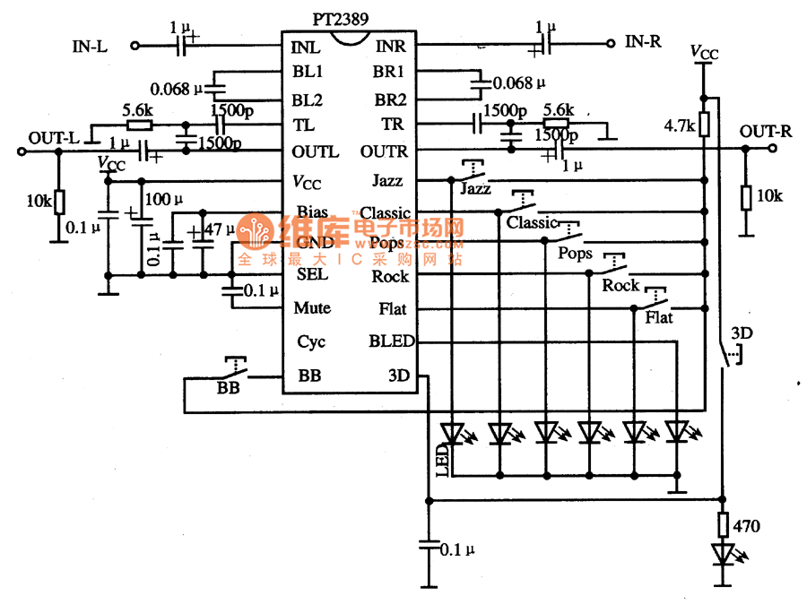
1.function featuresPT2389 is a balancer of full functions. Apart from the modes of flat, rock, pop, classical and jazz that could be set, it also can strengthen effect of low-heavy sound and 3D sound, it has a total of 20 kind of tones. Besides, it contains high/low sound gain selector, selective unit, control unit, silence/mute, 3D sound effect and other circuits, whose internal circuit are shown in Figure 9-23(b). 2.pin functionsPT2389 is in 24-pin DIP package or SO package of paster.
Reprinted Url Of This Article:
http://www.seekic.com/circuit_diagram/Audio_Circuit/PT2389__the_preset_balancer_integrated_circuit.html
Print this Page | Comments | Reading(3)
Code: