Published:2009/6/18 2:51:00 Author:May | From:SeekIC

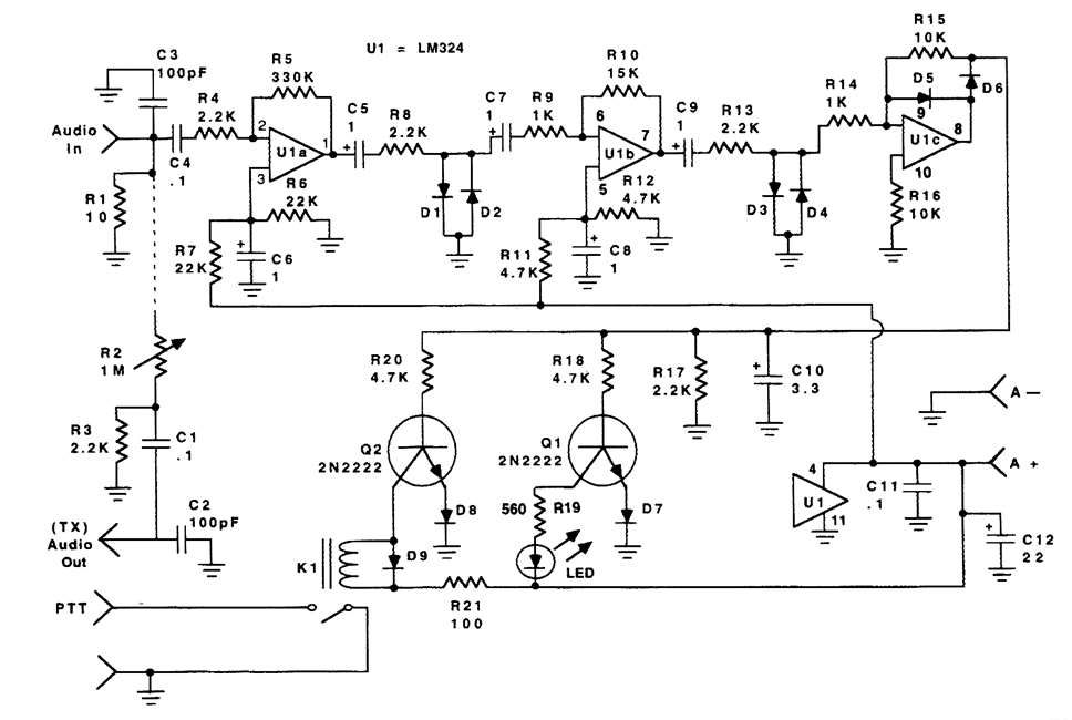
This system will key a transmitter or other device that can be keyed by a relay closure. Audio is amplified, limited, and is rectified and drives relay driver Q2 and LED indicator. The transmitter au-dio output was used to feed a keyed transmitter and can be deleted or ignored where this feature is unnecessary.
Reprinted Url Of This Article:
http://www.seekic.com/circuit_diagram/Audio_Circuit/PTT_CONTROL_FROM_RECEIVER_AUDIO.html
Print this Page | Comments | Reading(3)
Code: