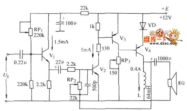
Published:2011/3/25 1:23:00 Author:Nicole | Keyword: Power amplifier, monotube | From:SeekIC

Reprinted Url Of This Article:
http://www.seekic.com/circuit_diagram/Audio_Circuit/Power_amplifier_circuit_diagram_with_monotube_OTL.html
Print this Page | Comments | Reading(3)
Code: