Published:2011/7/18 6:27:00 Author:Sue | Keyword: Program Controlled, Gain Amplifier | From:SeekIC

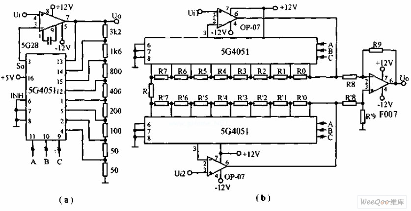
The circuit is differential input program controlled gain amplifier circuit. 5G4051 works as a single-pole eight-throw switch. When its pin 6 has low level, it is corresponding to one state of A,B,C. When we connect the channel and change one state, the feedback resistance value will be changed once and the corresponding voltage gain will be changed once. The states of the two 5G4051 are changing simultaneously and the output voltage will be differential amplified by F007.
Reprinted Url Of This Article:
http://www.seekic.com/circuit_diagram/Audio_Circuit/Program_Controlled_Gain_Amplifier_Circuit.html
Print this Page | Comments | Reading(3)
Code: