Published:2009/7/17 22:42:00 Author:Jessie | From:SeekIC

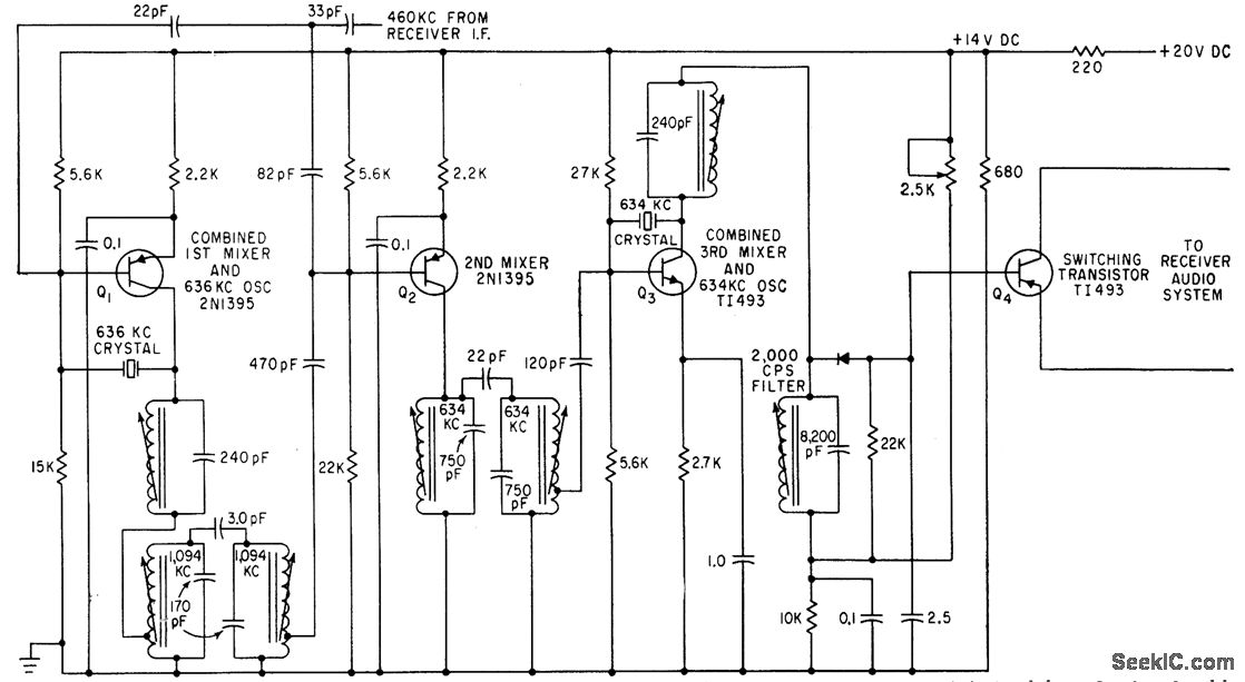
Carrieroperated squelch level is automatically adjusted to best compromise for incoming signal. Squelch can be adjusted to open on 0.5-microvolt input signal while remaining closed when subject to full output of noise generator-J. M. Tewksbury, Receiver Squelch Control Uses Double Superheterodyne, Electronics, 35:3, p 44-46.
Reprinted Url Of This Article:
http://www.seekic.com/circuit_diagram/Audio_Circuit/SQUELCH_FOR_DOUBLE_SUPERHET.html
Print this Page | Comments | Reading(3)
Code: