Published:2009/7/24 3:12:00 Author:Jessie | From:SeekIC

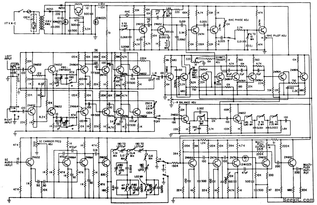
Used for testing and aligning multiplex receivers and adapters. Switches permit generating L+R or L-R separately with or without preemphasis and inserting or re moving SCA 67-kc signal.-S. Feldman, Stereo F-M Multiplex Alignment Signal Generator, Electronics, 35:3, p 37-39.
Reprinted Url Of This Article:
http://www.seekic.com/circuit_diagram/Audio_Circuit/STEREO_MULTIPLEX_F_M_SIGNAL_GENERATOR.html
Print this Page | Comments | Reading(3)
Code: