Published:2011/5/12 3:02:00 Author:Sue | Keyword: Seating Position, Reminder | From:SeekIC

Unproper sitting position can do harm to children's eyesight and health. Now the introduced sitting position reminder can make a sound of di di or language reminding sound to remind the users of proper sitting postion.
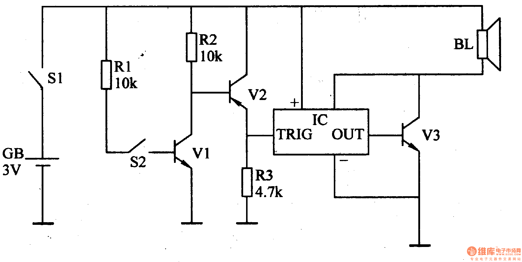
Working Principle:
As seen in the figure 6-212, the reminder consists of electronic switch circuit GB, warning circuit and power circuit.
The electronic switch circuit consists of glass mercurial switchS2, transistor V1,V2 and resistor R1-R3.
The power circuit consists of power GB and switch S1.
When S1 is connected, GB offers the whole circuit voltage.
When the user's sitting position is proper, S2 is disconnected and the whole circuit doesn't work.
When the user's sitting position isn't proper(the distance bewteen the user and the dest is closer), S2 is connected and V1,V2 are connected. V2 generates a high voltage to IC's TRIG terminal, making IC begin to work. The OUT terminal will output audio signal which will make the di di warning sound or reminding sound of Please adjust your sitting position to avoid myopia after is is amplified by V3.
Choices of Components:
R1-R3:1/4W or 1/8W carbon film resistor.
V1,V3:S9013 or 3DGl2 silicon NPN transistor; V2: S9012 or 3CG2l silicon PNP transistor.
IC:HFC9301 exclusive integrated circuit with saved di di sound or KD56028 sound integrated circuit with saved sound of Please adjust your sitting position to avoid myopia.
S1: Miniture toggle switch; S2: KG series glass mercurial switch.
BL:8Ω、O·25W electronic loudspeaker.
GB:Two 1.5V size 5 dry batteries.
Reprinted Url Of This Article:
http://www.seekic.com/circuit_diagram/Audio_Circuit/Seating_Position_Reminder1.html
Print this Page | Comments | Reading(3)
Code: