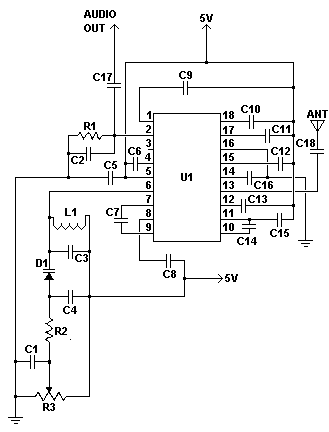
Published:2012/12/12 0:31:00 Author:muriel | Keyword: Single Chip, FM , Radio Circuit | From:SeekIC

Reprinted Url Of This Article:
http://www.seekic.com/circuit_diagram/Audio_Circuit/Single_Chip_FM_Radio_Circuit.html
Print this Page | Comments | Reading(3)
Code: