Published:2011/5/13 6:09:00 Author:Sue | Keyword: Smoking, Warning, Indicator | From:SeekIC

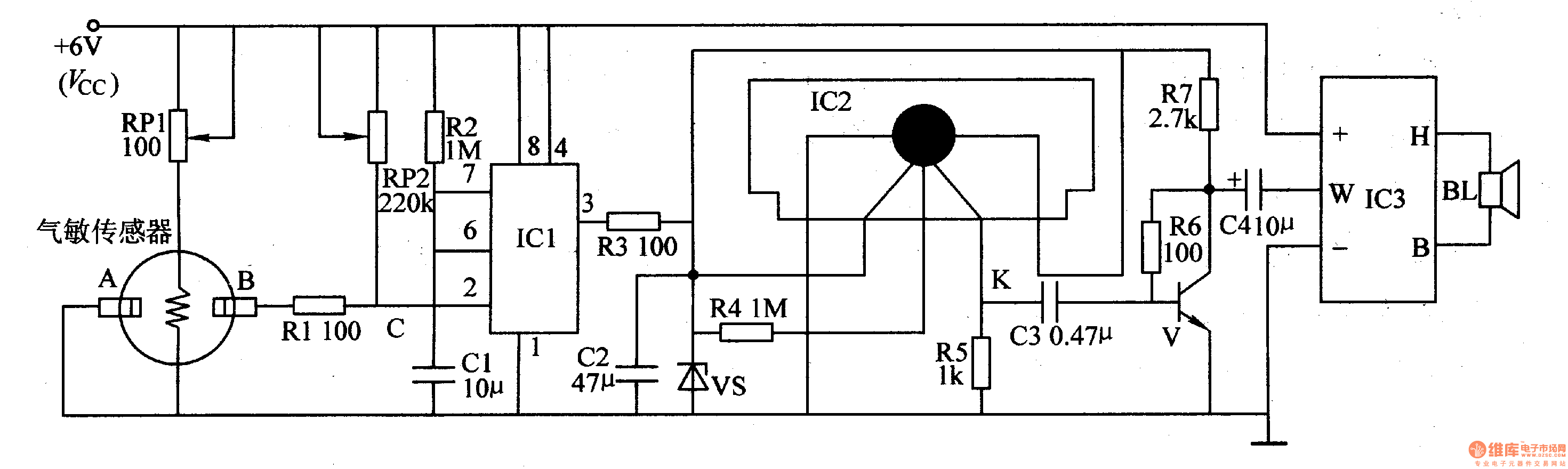
When gas sensor detects no smoke, the resistance value between A and B is large, and IC1's 2 pin has high level, 3 pin outputs low level. Then the sound generator circuit and audio power amplifying circuit don't work, so BL makes no sound.
When gas sensor detects smoke, the resistance value between A and B becomes small, lowering IC1's 2 pin's voltage. When the voltage is reduced under VCC/3, the monostable trigger reverses, making IC1's 3 pin's voltage change from low level to high level. The high level can generate 4.2V direct current voltage, which will be sent to audio integrated circuit IC2. IC2 begins to work and outputs sound signal, which can promote BL to make a warning sound of No Smoking please! .
Reprinted Url Of This Article:
http://www.seekic.com/circuit_diagram/Audio_Circuit/Smoking_Warning_Indicator_2.html
Print this Page | Comments | Reading(3)
Code: