Published:2012/11/21 20:59:00 Author:muriel | Keyword: Sound , Effects Generator 2 | From:SeekIC

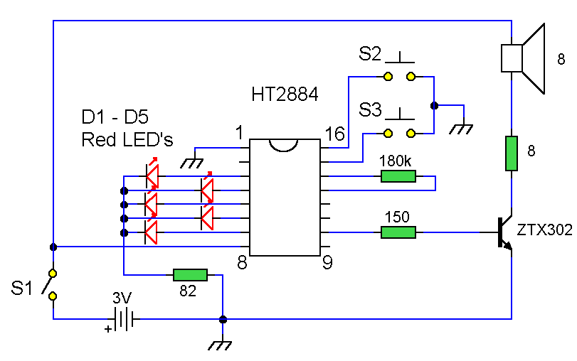
This circuit uses the Holtek HT2884 IC to produce 8 different sound effects.
Reprinted Url Of This Article:
http://www.seekic.com/circuit_diagram/Audio_Circuit/Sound_Effects_Generator_2.html
Print this Page | Comments | Reading(3)
Code: