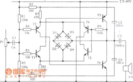
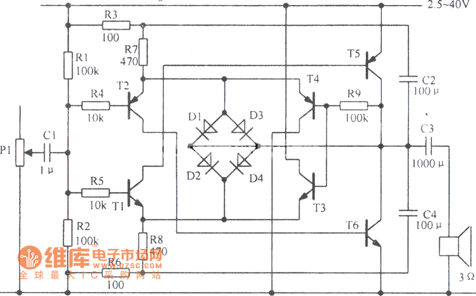
Published:2014/1/22 3:36:00 Author: | Keyword: Symmetric power amplifier circuit diagram, | From:SeekIC

Reprinted Url Of This Article:
http://www.seekic.com/circuit_diagram/Audio_Circuit/Symmetric_power_amplifier_circuit_diagram.html
Print this Page | Comments | Reading(3)
Code: