Published:2011/6/9 20:51:00 Author:qqtang | Keyword: single chip, integrated circuit | From:SeekIC




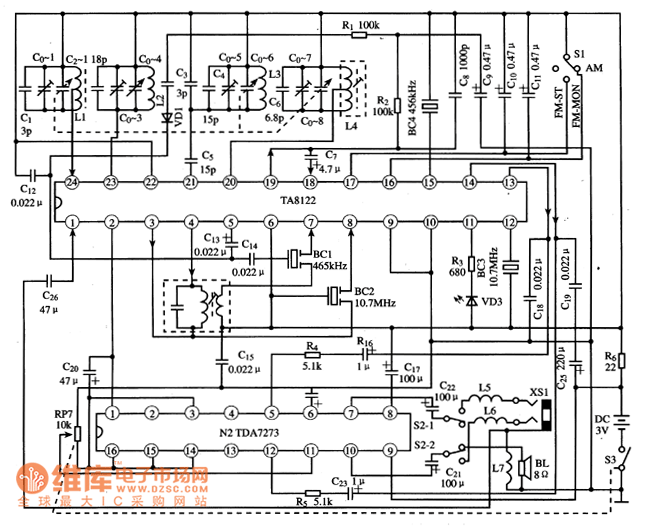
TA8122AN/AF is the single chip reception integrated circuit produced by Toshiba, which is used in all kinds of stereo reproducing circuits, such as car stereo and domestic stereos, etc.1.function featuresTA8122AN/AF contains AM modulation mixing, self-oscillation, INTREQ, detection circuit; FM AGC, mixing, self-oscillating, INTREQ, detection, stereo decoding circuit, etc; the additional circuits includes the display drive circuit, stereo ordering drive circuit, AM/FM shifting electric switch circuit, etc. The internal circuit of TA8122AN/AF is shown in Figure 1.
Reprinted Url Of This Article:
http://www.seekic.com/circuit_diagram/Audio_Circuit/TA8122AN_and_TA8122AF__the_single_chip_reception_integrated_circuit.html
Print this Page | Comments | Reading(3)
Code: