Published:2011/10/17 21:29:00 Author:Rebekka | Keyword: audio circuit | From:SeekIC

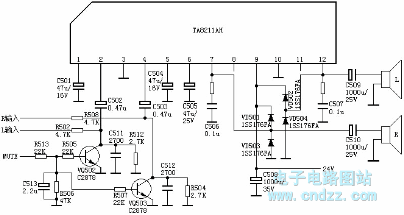
Changhong C2588 TVpin 1: 2.1V-- left channel negative-feedback external capacitor pin 2: 2.2V-- left channel signal input pin 3: 0V - ground pin 4: 2.2V-- right channel signal input pin 5: 2.1V-- right channel negative feedback external capacitor pin 6: 8.2V-- power supply filter pin 7: 12V - right channel signal outputpin 8: 2.2V-- empty pin 9: 24V - power supply pin 10: 0V - ground (PA) pin 11: 2.2V-- empty pin 12: 12V - left channel signal output
Reprinted Url Of This Article:
http://www.seekic.com/circuit_diagram/Audio_Circuit/TA8211AH_audio_circuit_diagram.html
Print this Page | Comments | Reading(3)
Code: