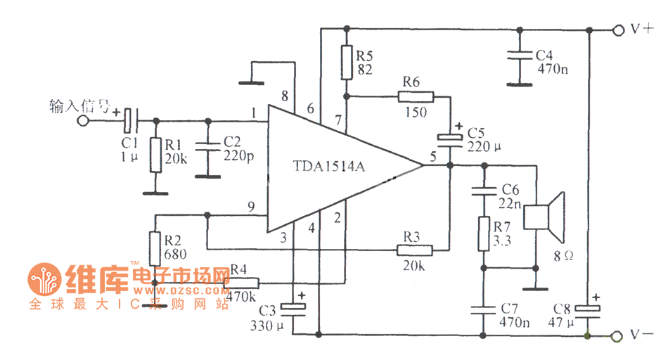
Published:2014/1/24 20:05:00 Author: | Keyword: TDAl514A typical application circuit diagram, | From:SeekIC

Reprinted Url Of This Article:
http://www.seekic.com/circuit_diagram/Audio_Circuit/TDAl514A_typical_application_circuit_diagram.html
Print this Page | Comments | Reading(3)
Code: