Published:2011/7/14 8:43:00 Author:Joyce | Keyword: TEANA , Electrical Load , Signal | From:SeekIC

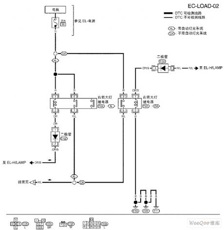
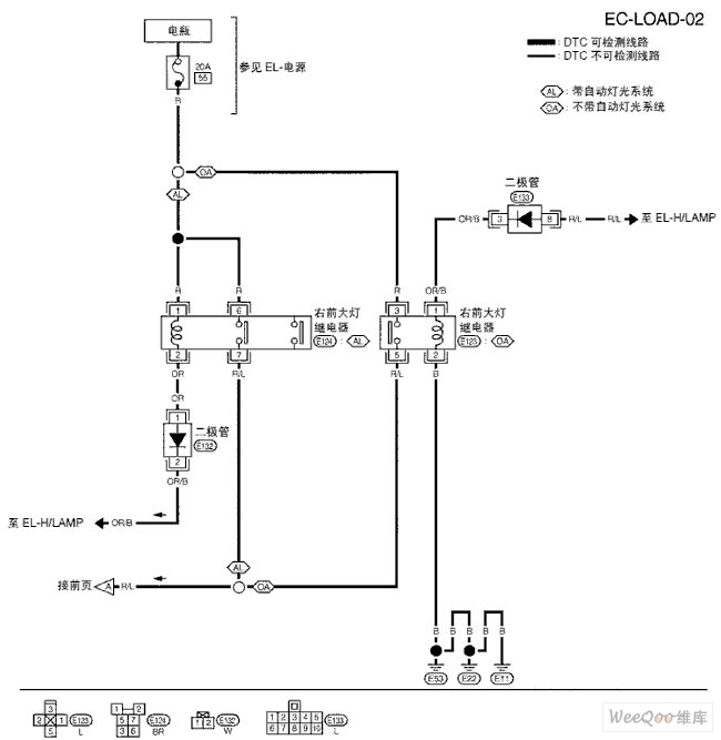
TEANA A33-EL Electrical Load Signal Circuit
Reprinted Url Of This Article:
http://www.seekic.com/circuit_diagram/Audio_Circuit/TEANA_A33_EL_Electrical_Load_Signal_Circuit_Two.html
Print this Page | Comments | Reading(3)
Code: