Published:2011/7/14 8:41:00 Author:Joyce | Keyword: TEANA , Headlamp | From:SeekIC

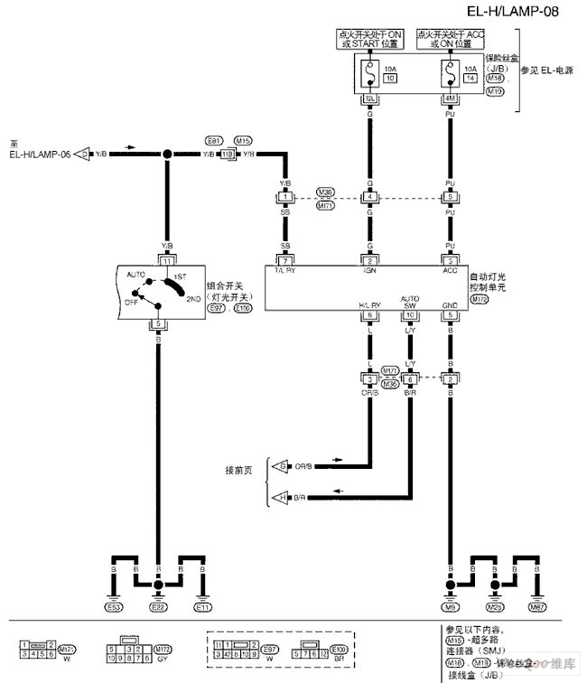
TEANA A33-EL Headlamp(Xenon) Circuit
Reprinted Url Of This Article:
http://www.seekic.com/circuit_diagram/Audio_Circuit/TEANA_A33_EL_HeadlampXenon_Circuit_Three.html
Print this Page | Comments | Reading(3)
Code: