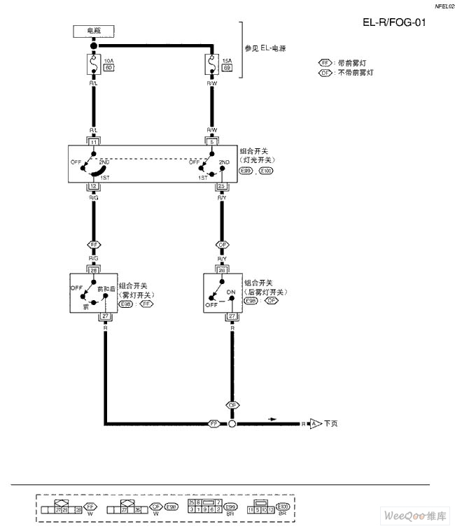
Published:2011/7/14 8:40:00 Author:Joyce | Keyword: TEANA , Rear Foglight | From:SeekIC

TEANA A33-EL Rear Foglight Circuit
Reprinted Url Of This Article:
http://www.seekic.com/circuit_diagram/Audio_Circuit/TEANA_A33_EL_Rear_Foglight_Circuit_One.html
Print this Page | Comments | Reading(3)
Code: