Published:2011/7/14 9:26:00 Author:Joyce | Keyword: TEANA , Rear Window, Frost, Removal | From:SeekIC

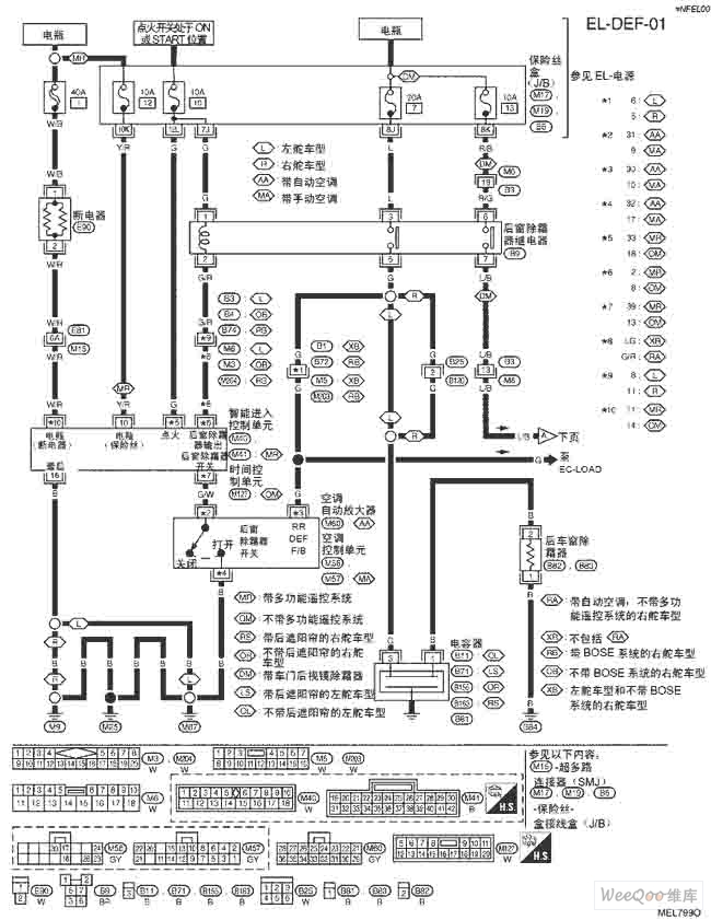
TEANA A33-EL Rear Window Frost Removal Circuit
Reprinted Url Of This Article:
http://www.seekic.com/circuit_diagram/Audio_Circuit/TEANA_A33_EL_Rear_Window_Frost_Removal_Circuit_One.html
Print this Page | Comments | Reading(3)
Code: