Published:2011/7/14 20:53:00 Author:Joyce | Keyword: TEANA , Sound , BOSE System | From:SeekIC

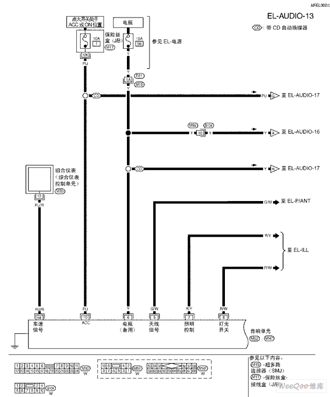
TEANA A33-EL Sound (BOSE System)Circuit
Reprinted Url Of This Article:
http://www.seekic.com/circuit_diagram/Audio_Circuit/TEANA_A33_EL_Sound_BOSE_SystemCircuit_One.html
Print this Page | Comments | Reading(3)
Code: