Published:2011/7/14 20:51:00 Author:Joyce | Keyword: TEANA , Sound, Remote Control | From:SeekIC

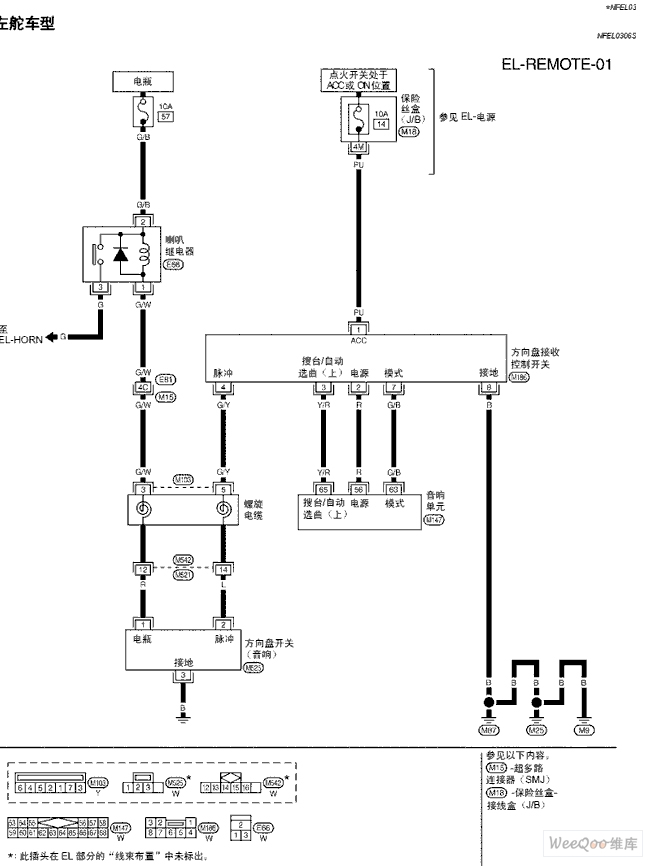
TEANA A33-EL Sound Remote Control Circuit
Reprinted Url Of This Article:
http://www.seekic.com/circuit_diagram/Audio_Circuit/TEANA_A33_EL_Sound_Remote_Control_Circuit.html
Print this Page | Comments | Reading(3)
Code: