Published:2011/7/14 8:40:00 Author:Joyce | Keyword: TEANA , Stoplight | From:SeekIC

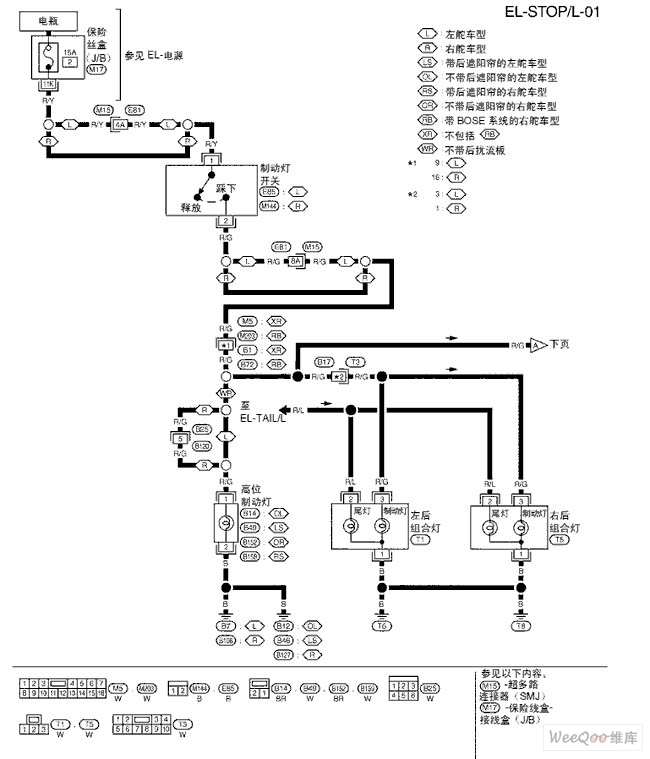
TEANA A33-EL Stoplight Circuit One
Reprinted Url Of This Article:
http://www.seekic.com/circuit_diagram/Audio_Circuit/TEANA_A33_EL_Stoplight_Circuit_One.html
Print this Page | Comments | Reading(3)
Code: