Published:2011/7/14 9:11:00 Author:Joyce | Keyword: TEANA , Turn Light | From:SeekIC

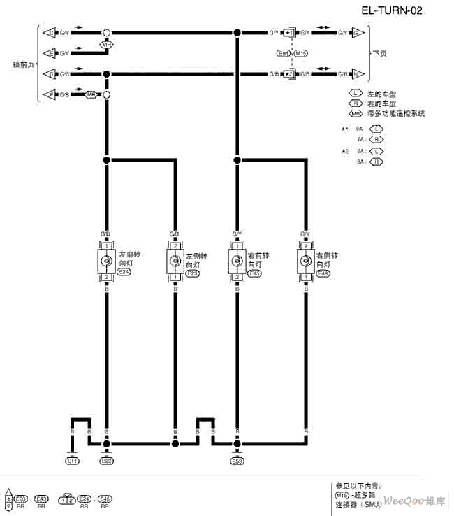
TEANA A33-EL Turn Light Circuit
Reprinted Url Of This Article:
http://www.seekic.com/circuit_diagram/Audio_Circuit/TEANA_A33_EL_Turn_Light_Circuit_Two.html
Print this Page | Comments | Reading(3)
Code: