Published:2011/7/14 9:22:00 Author:Joyce | Keyword: TEANA , Vehicle-mounted, Computer | From:SeekIC

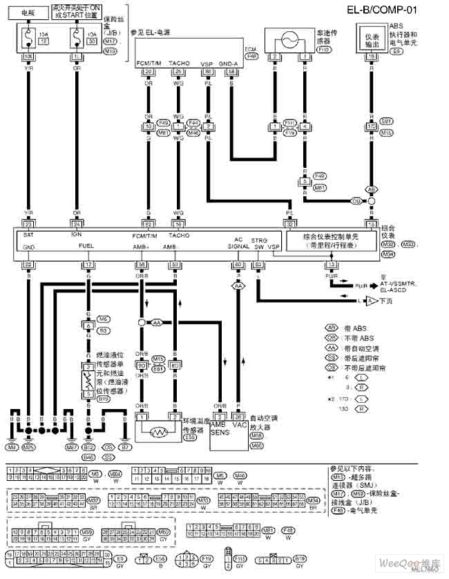
TEANA A33-EL Vehicle-mounted Computer Circuit
Reprinted Url Of This Article:
http://www.seekic.com/circuit_diagram/Audio_Circuit/TEANA_A33_EL_Vehicle_mounted_Computer_Circuit.html
Print this Page | Comments | Reading(3)
Code: