Published:2009/7/20 1:29:00 Author:Jessie | From:SeekIC

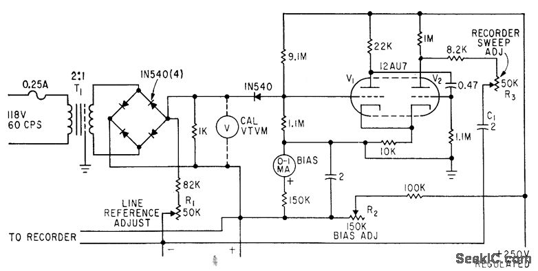
Circuit responds to single pulse having rise time as short as 1 microsec, and records average value of line voltage. Transients greater than preset trigger level pass through diode gate and trip mono, giving current pluse that drives chart recorder pin.-F. Trainor, Transient Recorder Monitors Power Linesto Protect Circuits, Electronics, 34:29, p 74-75.
Reprinted Url Of This Article:
http://www.seekic.com/circuit_diagram/Audio_Circuit/TRACING_CAUSES_OF_LAB_LINE_TRANSIENTS.html
Print this Page | Comments | Reading(3)
Code: