Published:2009/7/21 4:35:00 Author:Jessie | From:SeekIC

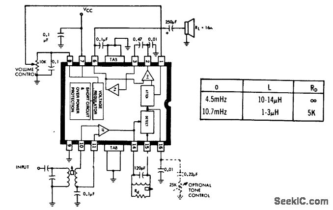
TV sound channel with 2-watt output using an ECG742. Supply voltage is from 18 to 27 volts. The chip is a 16-pin DiP. The circuitcan be connected toan 8-ohm load and still provide the 2-watt output (courtesy GTE Sylvania Incorporated).
Reprinted Url Of This Article:
http://www.seekic.com/circuit_diagram/Audio_Circuit/TV_sound_channel_with_2_watt_output_using_an_ECG742.html
Print this Page | Comments | Reading(3)
Code: