Published:2009/7/14 23:04:00 Author:Jessie | From:SeekIC

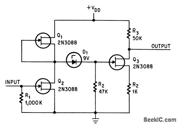
Gives high audio voltage gain (40 db), high impedance, low-noise operation, and good temperature stability with low supply voltage. Q3 serves as loadresistance.-B. Smith, Low-Noise FETs Sound Good To Circuit Designers, Electronics,37:31, p 58-62.
Reprinted Url Of This Article:
http://www.seekic.com/circuit_diagram/Audio_Circuit/TWO_FET_CASCODE.html
Print this Page | Comments | Reading(3)
Code: