Published:2009/7/23 23:36:00 Author:Jessie | From:SeekIC

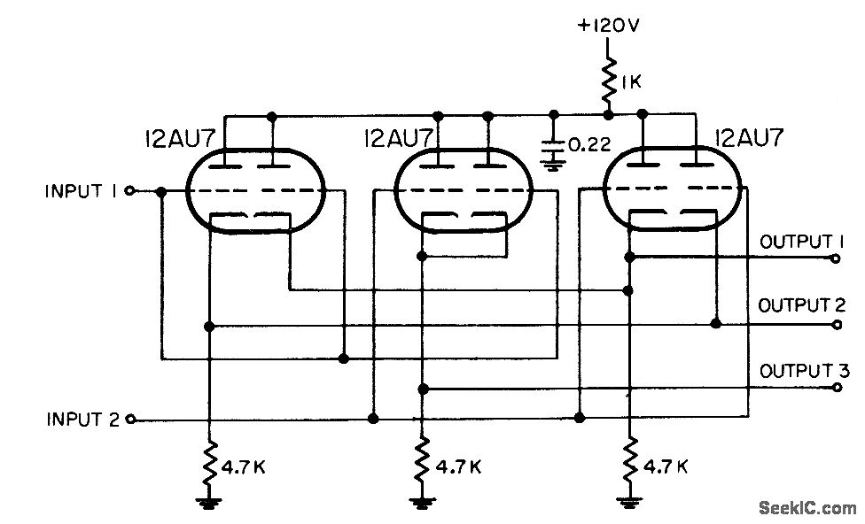
Combines two inputs and distributes them to each of three independent outputs, which are con netted to separate indicators.-NBS, Handbook Preferred Circuits Navy Aeronautical Electronic Equipment, Vol. 1, Electron Tube Circuits, 1963, p N4-3.
Reprinted Url Of This Article:
http://www.seekic.com/circuit_diagram/Audio_Circuit/TWO_INPUT_THREE_OUTPUT_MIXER.html
Print this Page | Comments | Reading(3)
Code: