Published:2011/6/19 0:06:00 Author:Seven | Keyword: fridge door, closure reminder | From:SeekIC

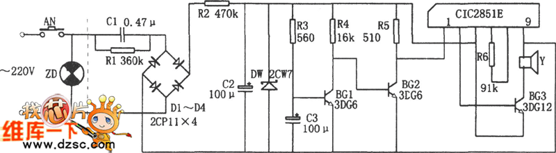
The CIC2851E fridge door closure reminder circuit principleThe circuit consists of the step-down rectifier stable voltage, the time delay circuit, the music integrated circuit CIC2851E, the loudspeaker and so on, of which the step-down rectifier circuit provide with a 3V DC voltage for the whole circuit.When the fridge door is open, the switch AN is on, capacitor C3 is charged by R3, as the charge is going on, the basic pole LEV of BG1 is rising, in about 20min, the voltage on C3 conducts BG1, and BG2 is blocked, which triggers CIC2851E, the output music signal is magnified by BG3.
Reprinted Url Of This Article:
http://www.seekic.com/circuit_diagram/Audio_Circuit/The_CIC2851E_fridge_door_closure_reminder_circuit_principle_diagram.html
Print this Page | Comments | Reading(3)
Code: