Published:2011/6/30 4:50:00 Author:Seven | Keyword: audio control | From:SeekIC

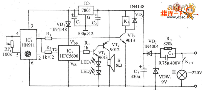
See as the figure, the circuit consists of the heat releasing infrared detection module, relay control light circuit, curses making circuit and AC step-down rectifier circuit, etc. When there are people coming in the chapel, the internal lighting lamp is glowing automatically and the Buddhist scriptures sound is generated; when the people are out, the light and sound are both gone. The circuit can be used in the chapel and sutra mansion for automatic duty and anti-thief.
Reprinted Url Of This Article:
http://www.seekic.com/circuit_diagram/Audio_Circuit/The_audio_control_circuit_of_HN911.html
Print this Page | Comments | Reading(3)
Code: