Published:2011/5/14 4:18:00 Author:Borg | Keyword: integrated circuit, single door, stereo radios | From:SeekIC



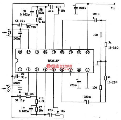
BA3516、BA3516 is an integrated circuit of single door stereo radios produced by Toyo Power Tool Corp.,Japan, which is commonly used in stereos, especially in walk-man, apart from Aiwa, sometimes, Sony, Phillips and local walk-man also use it.1.the internal circuit of BA3516 and BA3516F BA3516 is in two packages, of which BA3516 is in 16-lead dual in-line plastic package, while BA3516F is in 18-lead dual in-line plastic package. The two internal circuits are almost the same.
Reprinted Url Of This Article:
http://www.seekic.com/circuit_diagram/Audio_Circuit/The_integrated_circuit_of_single_door_stereo_radios.html
Print this Page | Comments | Reading(3)
Code: