Published:2011/7/17 22:11:00 Author:Borg | Keyword: phase offset, sidetone | From:SeekIC

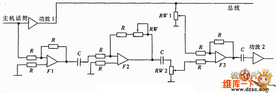
The phase offset sidetone circuit is shown as above.
Reprinted Url Of This Article:
http://www.seekic.com/circuit_diagram/Audio_Circuit/The_phase_offset_sidetone_circuit.html
Print this Page | Comments | Reading(3)
Code: