Published:2011/6/30 5:02:00 Author:Seven | Keyword: vehicle loudspeaker | From:SeekIC

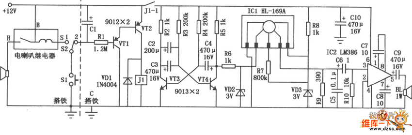
In the figure is the vehicle loudspeaker circuit. The left side of the figured dotted line is the loudspeaker circuit of the former car, SI is the key of the loudspeaker on the steering wheel. S2 is the added single-pole double-throw switch, which is used in the shift of the electric loudspeaker and the audio loudspeaker in the former car. The the switch S is at the position of 2 , by pressing the switch SI, the capacitor Cl is charged, the triodes of VT1 and VT2 are conducting, the relay JI is pulling in, and the normally open connector J1-1 is closed and offers power to the circuit for 15s. IC1 is the specialized audio integrated circuit HL-169, whose working time is 2.8s.
Reprinted Url Of This Article:
http://www.seekic.com/circuit_diagram/Audio_Circuit/The_vehicle_loudspeaker_circuit.html
Print this Page | Comments | Reading(3)
Code: