Published:2012/9/3 1:32:00 Author:Ecco | Keyword: True , Stereo , Indicator, Detects , L-R Signal Difference | From:SeekIC

Source: freecircuitdiagram
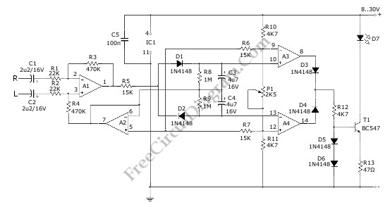
This true stereo indicator is different from what we usually find on FM radio receiver, which is usually a pilot tone detector. A stereo broadcast from FM radio station contain pilot tone, but a presence of pilot tone doesn’t necessarily a stereo broadcast signal since a mono FM transmitter ca broadcast pilot tone as well. Since this circuit detect the difference between left and right channel, this circuit can detect a real stereophonic programs. When there is no difference between R and L input signals, the output A1 and output A2 is at the same potential. That will make a a virtual ground rail at half the supply voltage. Here is the schematic diagram of the circuit:
Reprinted Url Of This Article:
http://www.seekic.com/circuit_diagram/Audio_Circuit/True_Stereo_Indicator_Detects_L_R_Signal_Difference.html
Print this Page | Comments | Reading(3)
Code: