Published:2011/4/27 3:28:00 Author:Rebekka | Keyword: single-chip radio | From:SeekIC

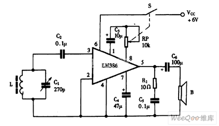
Using LM386 as single-chip radio circuit diagram is shown as above.
Reprinted Url Of This Article:
http://www.seekic.com/circuit_diagram/Audio_Circuit/Using_LM386_as_single_chip_radio_circuit_diagram.html
Print this Page | Comments | Reading(3)
Code: