Published:2009/7/9 23:35:00 Author:May | From:SeekIC

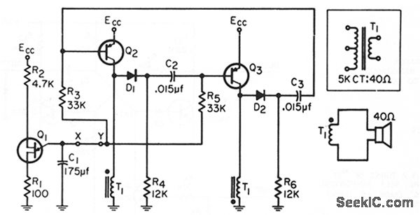
C1 is discharged periodically by uit Q1, which resets voltage controlled oscillator to beginning of its frequency sweep. Controlled oscillator also serves as power amplifier, to reduce number of components required. Circuit draws 10 ma front 9.v bottery.-F. J. Harris, Simple Wailing Siren Circuit, EEE, 14:6, p 94.
Reprinted Url Of This Article:
http://www.seekic.com/circuit_diagram/Audio_Circuit/WAILING_SIREN.html
Print this Page | Comments | Reading(3)
Code: