Published:2009/6/23 4:41:00 Author:Jessie | From:SeekIC

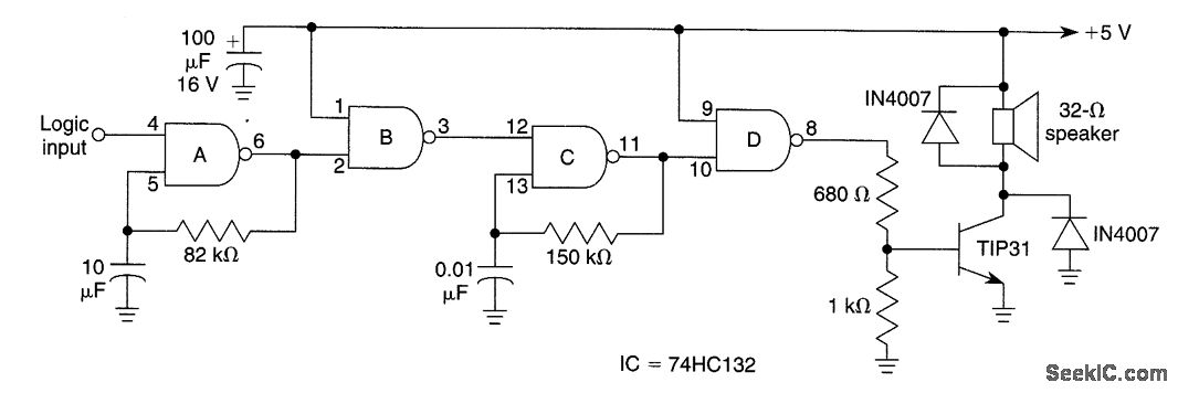
Sections A & B form an oscillator running at 2 Hz, which gates sections C and D, a 1-kHz oscilla-tor. This drives the TIP31 speaker driver.
Reprinted Url Of This Article:
http://www.seekic.com/circuit_diagram/Audio_Circuit/WARBLE_OSCILLATOR.html
Print this Page | Comments | Reading(3)
Code: