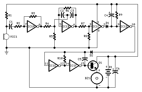
Published:2012/12/21 21:43:00 Author:muriel | Keyword: Whistle Responder | From:SeekIC

Reprinted Url Of This Article:
http://www.seekic.com/circuit_diagram/Audio_Circuit/Whistle_Responder.html
Print this Page | Comments | Reading(3)
Code: