Published:2011/7/28 21:33:00 Author:John | Keyword: flash, 500 candela flash | From:SeekIC

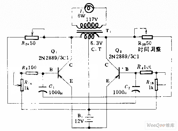
This circuit can be used at night as the flash for dock instruction or rescue vehicle. The flash can be D26-type or 6S6 type of 117V and 6W. Q1 and Q2 form an oscillator alter battery’s direct current into alternating current. The AC can be used as boost power supply for T1. Double potentiometer R2 adjusts the duration of each flash and R1 adjusts the flash frequency.
Reprinted Url Of This Article:
http://www.seekic.com/circuit_diagram/Automotive_Circuit/500_candela_flash_circuit.html
Print this Page | Comments | Reading(3)
Code: