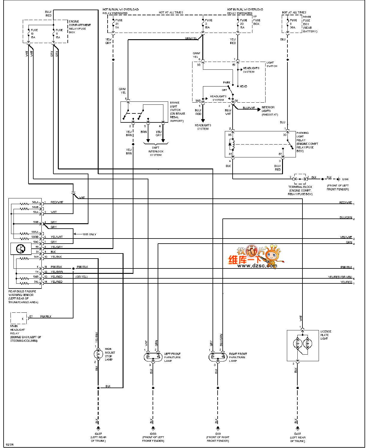
Published:2011/7/17 0:13:00 Author:nelly | Keyword: VOLVO, external lamp, station wagon | From:SeekIC

Reprinted Url Of This Article:
http://www.seekic.com/circuit_diagram/Automotive_Circuit/96_VOLVO_960_external_lamp_circuit_diagramstation_wagon.html
Print this Page | Comments | Reading(3)
Code: