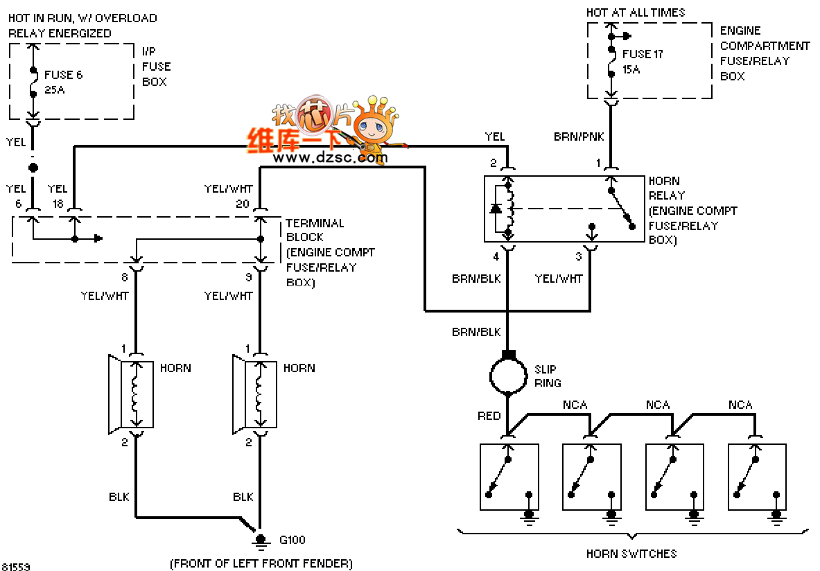
Published:2011/7/17 0:24:00 Author:nelly | Keyword: VOLVO, horn | From:SeekIC

Reprinted Url Of This Article:
http://www.seekic.com/circuit_diagram/Automotive_Circuit/96_VOLVO_horn_circuit_diagram.html
Print this Page | Comments | Reading(3)
Code: