Published:2009/7/16 3:08:00 Author:Jessie | From:SeekIC

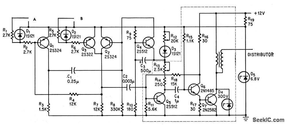
Inductive pickups on engine crankshaft feed to A and B, to make fining vary with engine speed by triggering monostable delay placed ahead of basic Delcotronic spark generator (dashed lines).-A. R. Hayes, Electronically Controlling Auto's Engine Spark,Electronics, 37:32, 43-44.
Reprinted Url Of This Article:
http://www.seekic.com/circuit_diagram/Automotive_Circuit/AUTOMATIC_IGNITION_ADVANCE.html
Print this Page | Comments | Reading(3)
Code: