Published:2009/6/30 1:24:00 Author:May | From:SeekIC

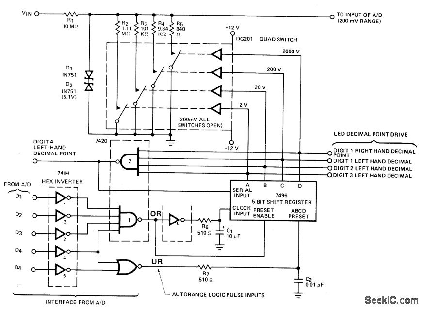
Digitally controlled attenuator uses DG201 quad analog switch as input ladder attenuator switches for A/D converter. Switches are controlled by digital logic that detects overrange and underrange information from A/D converter and closes appropriate attenuator path. Circuit is suitable for Siliconix LD110/111 or LD111/114 A/D converter,— Analog Switches and Their Applications, Siliconix、Santa Clara、CA、1976, p 6-28.
Reprinted Url Of This Article:
http://www.seekic.com/circuit_diagram/Automotive_Circuit/AUTORANGING.html
Print this Page | Comments | Reading(3)
Code: