Published:2011/7/14 20:39:00 Author:Joyce | Keyword: Active, Highpass, Filter | From:SeekIC

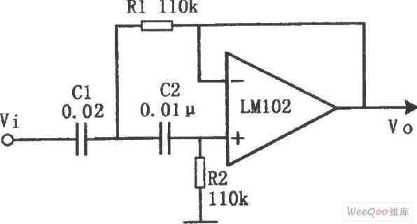
As shown in the figure is an activehigh pass filter circuit. The cut-off frequency of the circuit is: fc = 100 Hz. In this circuit, the ratio of R1 and R2, and that of C1 and C2 can be various values. R1 = R2 , C1 = 2 C2. While C1 = C2, R1 = 2 R2 is also available.
Reprinted Url Of This Article:
http://www.seekic.com/circuit_diagram/Automotive_Circuit/Active_Highpass_Filter_Circuit.html
Print this Page | Comments | Reading(3)
Code: