Published:2011/7/17 7:29:00 Author:Fiona | Keyword: pulse width adjustment fund | From:SeekIC

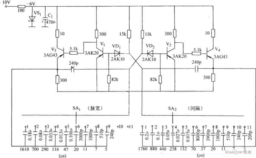
Astable circuit about pulse width adjustment fund is shown as above:
Reprinted Url Of This Article:
http://www.seekic.com/circuit_diagram/Automotive_Circuit/Astable_circuit_about_pulse_width_adjustment_fund.html
Print this Page | Comments | Reading(3)
Code: