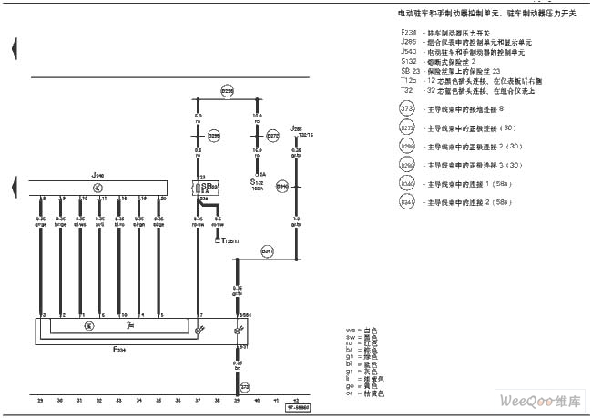
Published:2011/7/15 2:36:00 Author:Fiona | Keyword: Electronic parking, hand brake | From:SeekIC

Reprinted Url Of This Article:
http://www.seekic.com/circuit_diagram/Automotive_Circuit/Audi_A6_Electronic_parking_and_hand_brake_circuit_Figure_2.html
Print this Page | Comments | Reading(3)
Code: