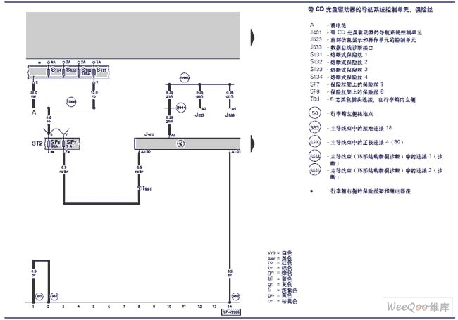
Published:2011/7/15 2:30:00 Author:Fiona | Keyword: navigation system | From:SeekIC

Reprinted Url Of This Article:
http://www.seekic.com/circuit_diagram/Automotive_Circuit/Audi_A6_navigation_system_circuit_Figure_1.html
Print this Page | Comments | Reading(3)
Code: