Published:2011/4/10 20:51:00 Author:muriel | Keyword: Audi , saloon car , 1.86 engine(ANQ) | From:SeekIC

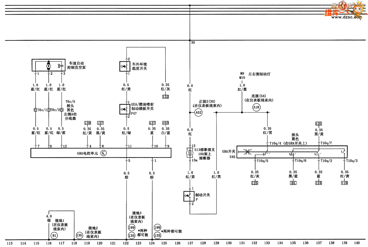
Speed electronic control unit、car external ambient temperature switch、brake switch and vacuum pump circuit diagram as shown
Reprinted Url Of This Article:
http://www.seekic.com/circuit_diagram/Automotive_Circuit/Audi_A6_saloon_car_186_engineANQ_circuit_diagram_five.html
Print this Page | Comments | Reading(3)
Code: