Published:2011/4/7 21:04:00 Author:muriel | Keyword: Audi, saloon car, 1.86 engine(ANQ) | From:SeekIC

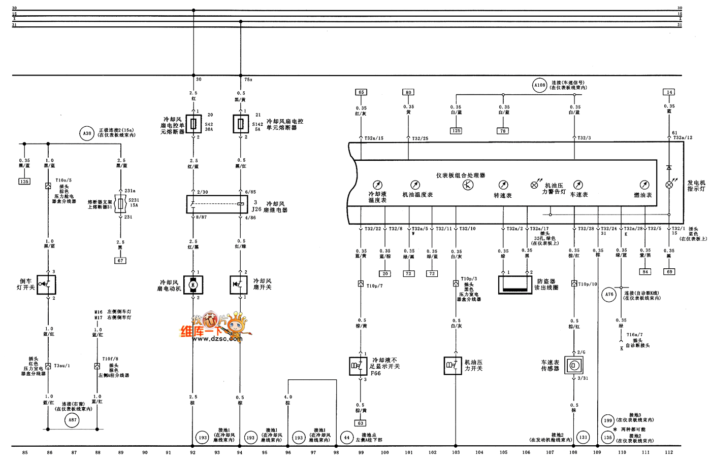
Reversing light、engine cooling system、instrument assembly、burglar alarm sense coil、engine oil pressure monitoring and speedometer circuit diagram as shown
Reprinted Url Of This Article:
http://www.seekic.com/circuit_diagram/Automotive_Circuit/Audi_A6_saloon_car_186_engineANQ_circuit_diagram_four.html
Print this Page | Comments | Reading(3)
Code: