Published:2011/4/7 21:00:00 Author:muriel | Keyword: Audi , saloon car , 1.86 engine(ANQ) | From:SeekIC

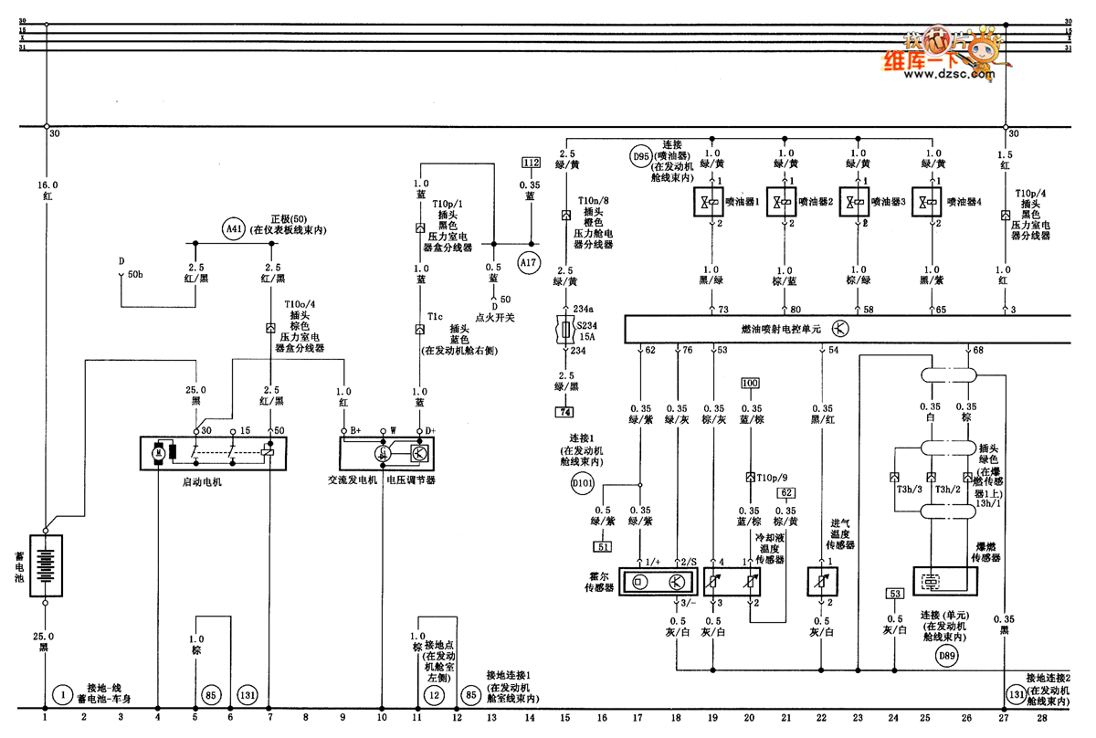
Storage battery、starting dynamo、AC generator、fuel injector electronic control unit、hall element、water temperature sensor、air inlet temperature sensor and deflagration sensor. The circuit diagram as shown
Reprinted Url Of This Article:
http://www.seekic.com/circuit_diagram/Automotive_Circuit/Audi_A6_saloon_car_186_engineANQ_circuit_diagram_one.html
Print this Page | Comments | Reading(3)
Code: