Published:2011/4/5 20:38:00 Author:muriel | Keyword: Audi , saloon car , air-conditioner | From:SeekIC

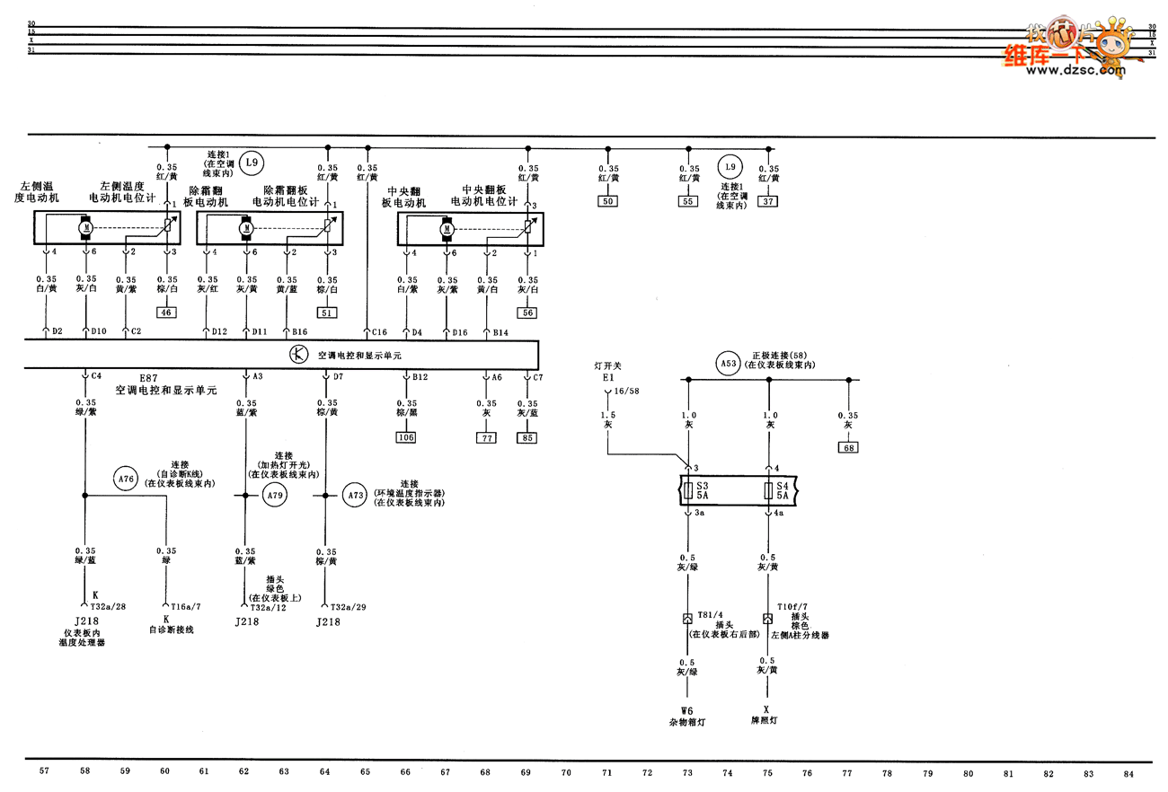
Servomotor and potentiometer circuit diagram as shown:
Welcome transshipment, the informations are come from Weiku e-market net( www.dzsc.com).
Reprinted Url Of This Article:
http://www.seekic.com/circuit_diagram/Automotive_Circuit/Audi_A6_saloon_car_air_conditioner_circuit_diagram_three.html
Print this Page | Comments | Reading(3)
Code: